极速交货
30天极速交货



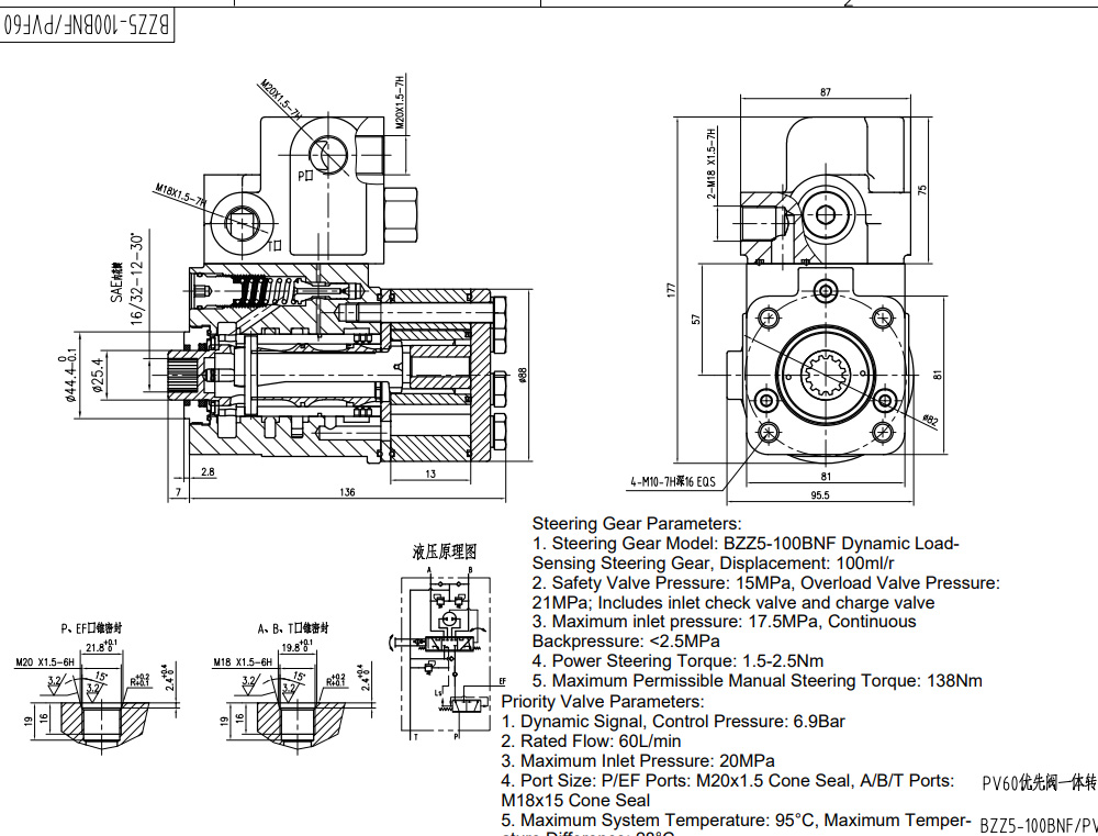
101S-5T-80-PV60液压转向单元是一款高性能、耐用、可定制的解决方案,适用于物料搬运、建筑、农业和工业车辆等各种应用。凭借80毫升/转的排量和17.5兆帕的最大输入压力,它为各种设备提供可靠的转向控制。
| 材质 | 铸铁 |
|---|---|
| 额定流量 | 5 L/min,6 L/min,8 L/min,10 L/min,12.5 L/min,16 L/min,20 L/min,25 L/min,28 L/min,31.5 L/min,40 L/min |
| 阀块 | 可定制 |
| 最大持续背压 | 2.5 Mpa |
| 最大输入压力 | 17.5 Mpa |
101S-5T-80-PV60液压转向单元是一款坚固高效的组件,专为严苛环境设计。它采用铸铁外壳,具有卓越的耐用性和长寿命,排量为80毫升/转,最大输入压力为17.5兆帕,确保强大且响应灵敏的转向。2.5兆帕的最大连续背压进一步增强了其可靠性和性能。其额定流量为8升/分钟,有助于实现平稳精确的转向控制。阀块可定制,允许适应特定的机器要求和应用。该单元非常适用于各种设备,包括叉车、伸缩臂叉车、滑移装载机、紧凑型轮式装载机、迷你挖掘机、拖拉机、反铲装载机、扫地机、收割机等。其高性能和可靠运行使其成为寻求高质量液压转向解决方案的原始设备制造商(OEM)、原始设计制造商(ODM)和分销商的经济高效之选。我们提供制造、OEM、ODM、定制和批发服务,并积极在全球范围内寻找分销商、批发商、代理商和贸易合作伙伴。



