极速交货
30天极速交货



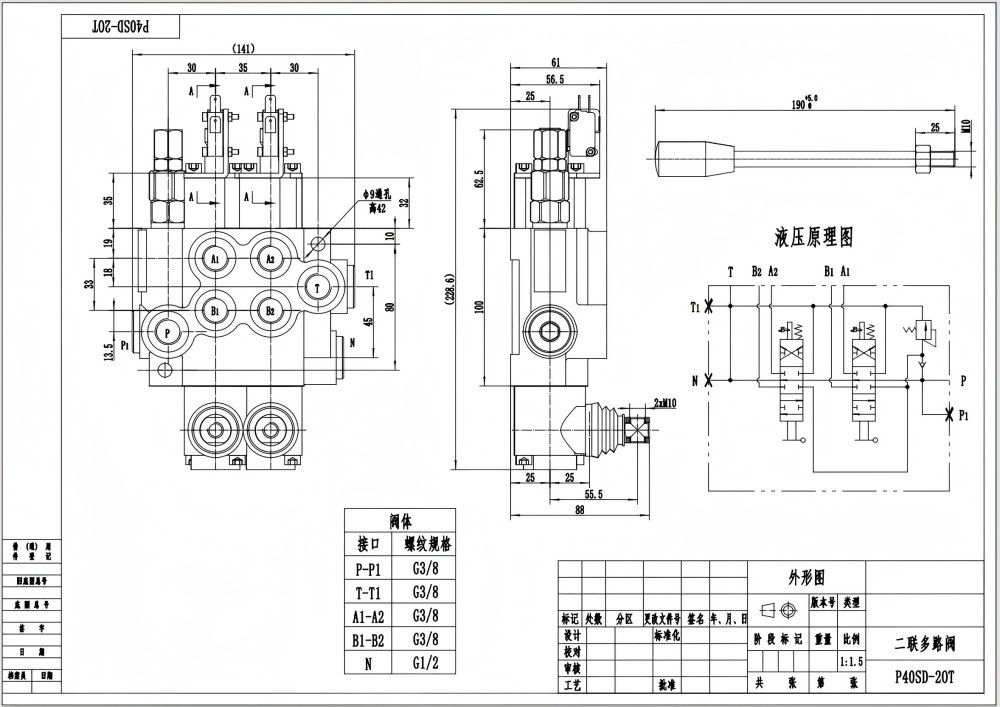
P40 微动开关手动2联整体式方向控制阀是一款紧凑型高性能阀,专为物料搬运、工程机械、农业和工业车辆的各种应用而设计。凭借其手动控制、2段设计和40 升/分钟的流量,该阀在液压系统中提供可靠高效的流量控制。
| 额定流量 | 40 L/min (10.5 US gpm) |
|---|---|
| 最大压力 | 250 bar (3600 psi) |
| 进油口 | G3/8接口,G1/2接口,M18×1.5螺纹,M22×1.5螺纹,SAE 8接头,SAE 10接头,3/8 NPT螺纹,1/2 NPT螺纹 |
| 出油口 | G3/8接口,G1/2接口,M18×1.5螺纹,M22×1.5螺纹,SAE 8接头,SAE 10接头,3/8 NPT螺纹,1/2 NPT螺纹 |
| 接口尺寸 | G3/8接口,G1/2接口,M18×1.5螺纹,SAE 8接头,SAE 10接头,3/8 NPT螺纹,1/2 NPT螺纹 |
| 联数 | 1联,2联,3联,4联,5联,6联,7联 |
| 结构类型 | 整体阀 |
| 环境温度范围 | -40°C to +80°C (-40°F to +176°F) |
| 工作粘度范围 | 15 - 75 mm²/s (15 cSt to 75 cSt) |
**产品特点与优势:**
* 手动控制,操作精确灵敏
* 2段设计,实现多功能流量控制
* 紧凑尺寸,易于在空间受限的应用中安装
* 40 升/分钟的高流量,确保系统高效运行
* 250 巴的最大压力,适用于严苛应用
* 宽泛的工作粘度范围,兼容多种液压油
* CE 认证,符合欧洲安全标准
**应用领域:**
P40 微动开关手动2联整体式方向控制阀适用于广泛的应用领域,包括:
* 物料搬运设备
* 工程和土方机械
* 农业车辆
* 工业车辆
* 林业设备



