极速交货
30天极速交货



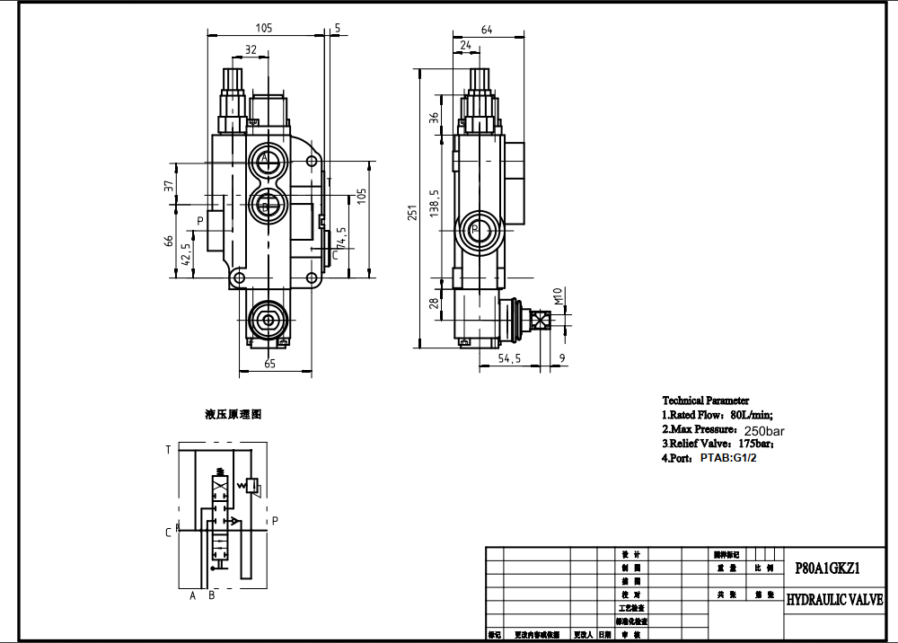
P80-G12 手动单联整体式方向控制阀是一款高性能液压阀,专为各种行走机械应用而设计。该阀额定流量为80升/分钟,最大压力为250巴,能够应对要求严苛的液压系统。其整体式结构提供了紧凑耐用的解决方案,而手动控制则实现了精确和灵敏的操作。
| 接口尺寸 | G1/2接口,G3/4接口,M22×1.5螺纹,M27×2.0螺纹,SAE 10接头,1/2 NPT螺纹,3/4 NPT螺纹 |
|---|---|
| 联数 | 1联,2联,3联,4联,5联,6联,7联 |
| 环境温度范围 | -40°C to +80°C (-40°F to +176°F) |
| 工作粘度范围 | 15 - 75 mm²/s (15 cSt to 75 cSt) |
| 最大压力 | 315 bar (4600 psi) |
| 额定流量 | 80 L/min (21.2 US gpm) |
| 结构类型 | 整体阀 |
| 进油口 | G1/2接口,G3/4接口,M27×2.0螺纹,SAE 10接头,SAE 12接头,1/2 NPT螺纹,3/4 NPT螺纹 |
**产品特点和优势:**
* 额定流量80升/分钟,适用于高流量应用
* 最大压力250巴,适用于要求严苛的液压系统
* 整体式结构,提供紧凑耐用的解决方案
* 手动控制,实现精确和灵敏的操作
* 适用工作粘度范围15 - 75 mm²/s,兼容多种液压油
* 环境温度范围-40°C至+80°C,适用于极端环境
**应用领域:**
P80-G12 手动单联整体式方向控制阀非常适用于各种行走机械应用,包括:
* 工程机械
* 农业机械
* 工业车辆
* 物料搬运设备
* 林业机械
* 矿山机械



