极速交货
30天极速交货



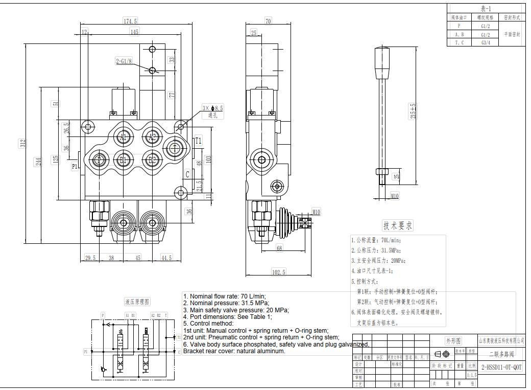
SD11 手动 1 联整体式方向控制阀专为广泛的液压应用而设计。额定流量为 70 升/分钟 (18.5 美制加仑/分钟),最大压力为 250 巴 (3600 磅/平方英寸),该阀能够应对严苛的运行条件。其紧凑的整体式设计提供了节省空间的解决方案,手动控制则提供精确且响应灵敏的操作。
| 额定流量 | 70 L/min (18.5 US gpm) |
|---|---|
| 最大压力 | 315 bar (4600 psi) |
| 进油口 | G3/4接口,SAE 12接头 |
| 出油口 | G3/4接口,SAE 12接头 |
| 接口尺寸 | G3/4接口,SAE 12接头 |
| 联数 | 1联,2联,3联,4联,5联,6联,7联 |
| 结构类型 | 整体阀 |
| 环境温度范围 | -40°C to +60°C (-40°F to +140°F) |
| 工作粘度范围 | 15 - 75 mm²/s (15 cSt to 75 cSt) |
**产品特点和优势:**
* 手动控制,实现精确响应的操作
* 整体式设计,节省空间
* 额定流量 70 升/分钟 (18.5 美制加仑/分钟),实现高效性能
* 最大压力 250 巴 (3600 磅/平方英寸),适用于严苛应用
* 工作粘度范围 15 - 75 毫米²/秒 (15 cSt 至 75 cSt),用途广泛
* 环境温度范围 -40°C 至 +60°C (-40°F 至 +140°F),适用于极端条件
**应用:**
* 物料搬运设备
* 建筑和土方机械
* 农业设备
* 工业车辆
* 伸缩臂叉车
* 叉车
* 全地形起重机
* 堆垛机
* 高空作业平台
* 平地机
* 挖掘机
* 滑移装载机
* 紧凑型轮式装载机
* 轮式装载机
* 反铲装载机
* 自卸卡车
* 凿岩台车
* 混凝土泵车
* 压路机
* 旋挖钻机
* 破碎机和切石机
* 筛分机
* 带前端装载机的拖拉机
* 收割机
* 打捆包膜机
* 反铲挖土机
* 播种机
* 林业拖车
* 喷雾器
* 打捆机
* 分柴机
* 铲斗装载机
* 钩臂式垃圾车
* 垃圾压实机
* 扫地机



